蘇州草莓污视频18電子有限公司官網歡迎您訪問!
24小時服務熱(rè)線:
0512-65775355 / 18913129792

IL合金鋼傳感器

產品(pǐn)詳情

/  PRODUCT DETAILS

托利多IL稱重(chóng)傳感器為小型料罐和壁掛式料鬥提供了最佳的稱重性能。托利多IL稱重傳感器允許50%的靜態過載,而不影響稱(chēng)重性能。采用(yòng)鍍鎳鋼材料,具有良好的耐(nài)腐蝕性,適用於大多數工(gōng)業應用(yòng)。

額定容(róng)量:150,250,500,1000,2000kg

額定功率:2 ± 0.002mV/V

IL稱(chēng)重傳感器技術參數(英(yīng)文版):

IL稱重傳感器技術參數

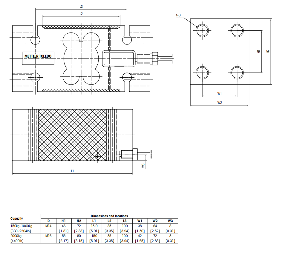
IL稱重傳感器安裝尺寸:

IL稱(chēng)重傳感器安裝尺寸

版權所有:蘇州草莓污视频18電子有限公司Copyright。2017 Al Rights Reserved本站關鍵詞:稱重模塊 托利多稱重傳感器 稱重儀表 稱重顯示器

技(jì)術支持(chí):尚雲網絡 備案號:蘇ICP備20030262號-2